理科教材データベース
岐阜大学教育学部理科教育講座(地学)
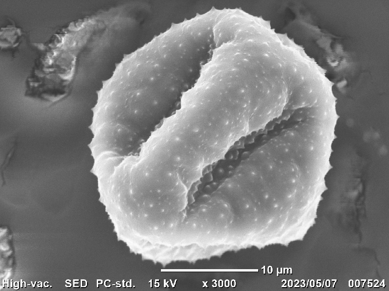
ウマノアシガタ





2023年5月7日に撮影しました.
photo = S. Kawakami.