進化する植物図鑑
理科教材データベース
岐阜聖徳学園大学教育学部川上研究室
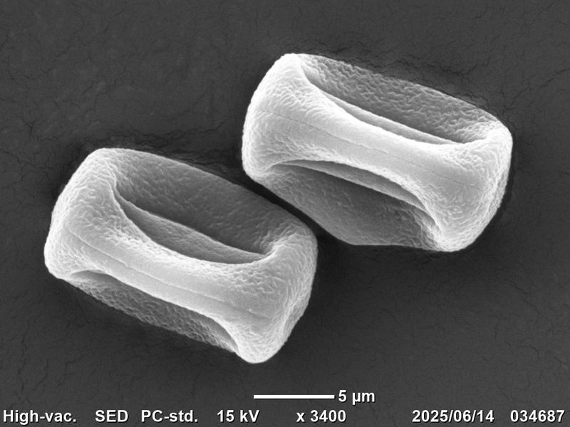
花粉図鑑:メディニラ・マグニフィカ


和名:メディニラ・マグニフィカ
学名:Medinilla magnifica
分類:被子植物門>双子葉植物綱>フトモモ目>ノボタン科






フィリピン原産。
双子葉・離弁花・常緑低木
花粉提供=東谷山フルーツパーク